

K-1000C m system features:
1、32 to 65536 degree Gray control, Gamma correction procession handle.
2、Support various point, line light source, and all kinds of rules and specific shaped handle.
3. The controller has one output port, can support up to 512/2048 pixels(DMX lighting support up to 512 pixels).
4、Play content stored in the SD card , the SD card can store up to 32 effects File, SD card capacity support 128MB-32GB.
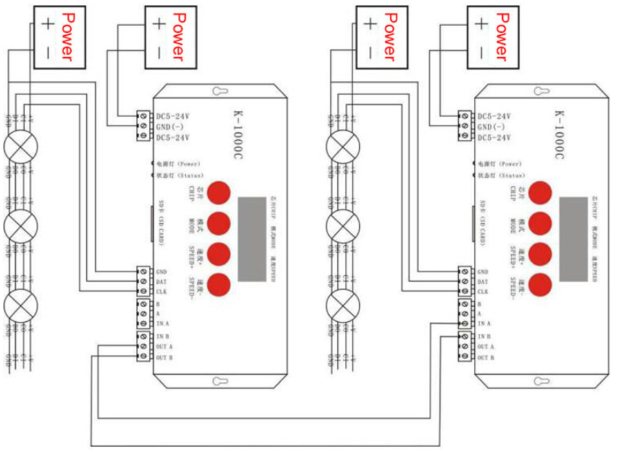
5、The controller can single set use,also multiple controllers cascade, cascade optical isolation mode: interference, better stability,
cascade distance between two controllers can reach up to 150 meters, need to use 0.5M² pure copper power cord.
6、The controller support chip can lock the support IC in software, or not lock the support IC in the software, select the support
IC through the controller CHIP button, this scheme is more flexible and convenient.
7、For the DMX lighting IC, the controller comes with write address function; In addition, with use of our 2016 LedEdit-K V3.26
or later edition can make one key write address function setting.
8、Support load lamp is 4 channels (RGBW) pixels, or split into single channel point pixels.
9、Enhanced 485 TTL and 485 differential (DMX) signal output.
10、The controller comes with the test effects were as follows: 1 red, green, blue and black jump; 2 red, green, blue and black gradient; 3 red, green, blue and goes.
NOTES:
1.If support RGBW four channels’lights should select K-1000-RGBW.
2.If support single channel t light should choose K-1000-W, at this time, one channel means one pixe ,the software effect make as white lighting.
Button meaning:
| Button | Meaning | |
| CHIP | Switch chip | Press CHIP and then MODE button, can enter write code mode,61 means UCS512-A/B coding; 62 means WS2821 coding; 63 means SM512 coding, 64 means UCS512-C coding |
| MODE | Switch file | |
| SPEED+ | Speed up | Press SPEED+ and SPEED- the same time, would enter effect files looping mode. |
| SPEED- | Speed down | |
Specific parameter:
Memory | Physical parameter | ||
| Memory card type | SD card | Working temperature | -30℃—85℃ |
| SD card capacity | 128MB—32GB | Working power | DC 5V -24V input |
| SD card format | FAT or FAT32 | Power consumption | 2W |
| Storage file | *.led | Data transmission interface | 3pin binding post |
| SD CARD | SD card slot | Weight | 0.35Kg |
Conventional IC lamps wiring

Size:L 159* W 89* H 24 mm
inquiry@ipixelleds.com
0086-13802553087
Building A, Chezhan industrial park, Tianbao Rd, Shiyan Town, Baoan , Shenzhen China